+86 19057031687
  • S-1115 váltóvilla TMT-hez
  • S-1115 váltóvilla TMT-hez
  • S-1115 váltóvilla TMT-hez
  • S-1115 váltóvilla TMT-hez
Váltóvilla

S-1115 váltóvilla TMT-hez

Cégünk összes váltóvillája megfelelt a vegyiszál-gyárakban való gyakorlati alkalmazás vizsgáján, és a termék minősége nagyobb az eredeti gép műszaki színvonalát.

  • S-1115 váltóvilla TMT-hez
  • S-1115 váltóvilla TMT-hez
  • S-1115 váltóvilla TMT-hez
  • S-1115 váltóvilla TMT-hez

Termékleírás

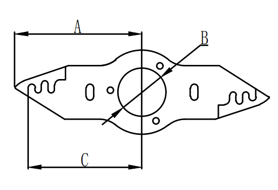
Név Váltóvilla
Modell S-1115 (Kerek mag )
Rendelési szám
Anyag Alumínium ötvözet
Alkalmazás
Méret mm B: 28 mm, C: 128,5 mm
Súly 15g

Rólunk

Jiaxing Shengbang Mechanical Equipment Co., Ltd.

Jiaxing Shengbang Mechanical Equipment Co., Ltd. is a comprehensive technological advantage, specializing in the development, production, sales and maintenance of key parts and spinning machines, and R&D of new materials and fabrics. We are China Wholesale S-1115 váltóvilla TMT-hez Suppliers and S-1115 váltóvilla TMT-hez Company. Shanghai Panguhai Technology Engineering Co., Ltd. is the sales and R&D headquarters of our company, Haian Jingtong New Material Technology Co., Ltd. is the production and experimental base of our machinery and yarn.
Fejlett és tökéletes berendezésekkel rendelkezünk a fonógépek gyártásához, ellenőrzéséhez, teszteléséhez és karbantartásához, mint például a fejlett CNC szerszámgépek, a Shenk kiegyensúlyozó gépek, az AVIC Manufacturing Technology Institute plazmabevonó berendezései és a Barmag forró godeta hőmérséklet-kalibrálása. A filament fonalgyártásban szerzett gazdag tapasztalatunkra és kiforrott rendszerezési technológiánkra alapozva kifejlesztettünk egy forradalmian új, többcélú fonó tesztgépet, amellyel az egykomponensű fonal, kétkomponensű fonal, többkomponensű fonal, POY, FDY, közepes szilárdságú fonal és filament fonal könnyen előállíthatók. Sőt, mintakészítéshez fonalfonó laborunk is van, ahol a vásárlók maguk is végezhetnek fonási teszteket.
Fejlett technológiánk, felszereléseink és kényelmes elhelyezkedésünk révén sikeresen létrehoztunk együttműködési kapcsolatokat a Tongkun Group, a Xin Feng Ming Group, a Hengli Group és a Shenghong Corp., valamint sok más jól ismert vegyiszál-gyártó céggel Kínában, és minőségünket és szolgáltatásunkat széles körben jóváhagyták az ügyfelek.
Jiaxing Shengbang Mechanical Equipment Co., Ltd.

Becsület

  • Szabadalmi Tanúsítvány
  • Szabadalmi Tanúsítvány
  • Szabadalmi Tanúsítvány
  • Szabadalmi Tanúsítvány
  • Szabadalmi Tanúsítvány
  • Szabadalmi Tanúsítvány
  • Szabadalmi Tanúsítvány
  • Szabadalmi Tanúsítvány

Hírek